1
/
of
7
SECO Parts and Equipment
HMMWV M998 H1 M1125 Airlift Bumper Bracket KIT Shackle, M1123 M1114, Humvee
HMMWV M998 H1 M1125 Airlift Bumper Bracket KIT Shackle, M1123 M1114, Humvee
Regular price
$429.99 USD
Regular price
Sale price
$429.99 USD
Unit price
/
per
Shipping calculated at checkout.
Couldn't load pickup availability
Share
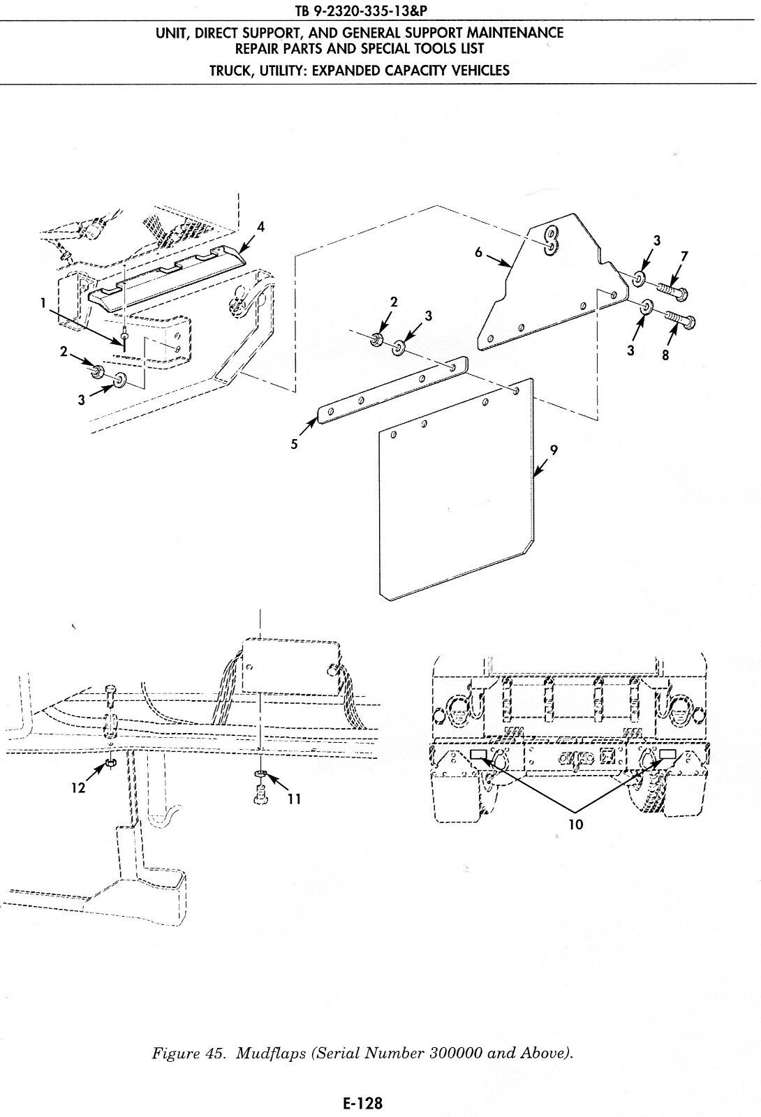
NOS HMMWV Humvee Airlift Bumper Bracket Accessory Kit
Includes:
2 Outer Bumper Bracket Brace
1 LH Bracket Brace (early style bracket with hole cut out to allow for shackle)
1 RH Bracket Brace
2 Support Bumper Inner
2 Tear Drop Shackles with nut, cotter pin, washer
4 Spacers
5340-01-412-7514,
12447089-2WITH EXTRA HARDWARE INCLUDES THE FOLLOWING MOUNTING HARDWARE Comes with: 52ea Washers 10ea Hex Bolt 16ea Hex Bolt 26ea Nuts CHECK VARIANT OF WHICH ONE YOU WANT PLASTIC RETAINERS IN THE MUDFLAP KITS MAY BE CRACKED due to improper government packing. There are no returns on this item. |







CAN'T FIND THE RIGHT PART?
Most of the items in our warehouses are not listed
online. We have over 50,000 line items in stock
and we can help you find exactly what you need.